Description
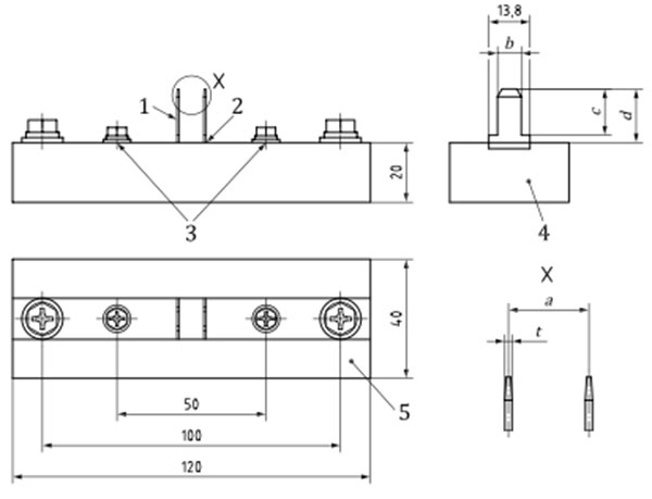
فیکسچر آزمون برای سیم فیوز نوع A1 و 4 A3 ، A2، A1S، A

راهنما:
- ترمینال برای اتصال سیم فیوز
- نقطه اندازه گیری دما
- نقطه اندازه گیری افت ولتاژ
- سایز ترمینا
- بدنه فیکسچر
جهت انجام آزمون های فیوز خودرو باید از فیکسچر های مناسب استفاده کرد و برای هر نو از فیوزهای خودرویی فیسچرهایی مناسب با آن نو فیوز نیاز است. این فکسچرها تاثیر زیادی در مقادیر نتیجه آزمون دارند به طوری که یک فیوز بدون فیکسچر در یک آزمون مردود می شود ولی با فیکسچر آزمون نمونه تایید می باشد.
فیکسچر آزمون برای سیم فیوز نوع A1 و 4 A3 ، A2، A1S، A

راهنما:
| نام دستگاه | فیکسچر آزمون فیوز |
|---|---|
| فیوز های قابل اتصال به فیکسچر | A1 , A1S , A2 , A3 , A4 |
| ابعاد(میلیمتر) | 120*40*20 |
| استاندارد های مورد استفاده | ISO 8820-1 ISO 8820-4 |
| جریان | Max 140A |
| مناسب برای انجام آزمون های | افت ولتاژ – زمان قطع فیوز – افزایش دما – پله های جریان – سیکل جریان گذرا |
There are no reviews yet.
Reviews
There are no reviews yet.